近日,昊特建材凭借卓越的产品品质与环保性能,成功通过欧盟RoHS(有害物质限制)及REACH(化学品注册、评估、许可和限制)双项国际认证。这一里程碑标志着昊特建材在绿色环保领域再攀高峰,为全球客户提供更安全、更可持续的建材解决方案!
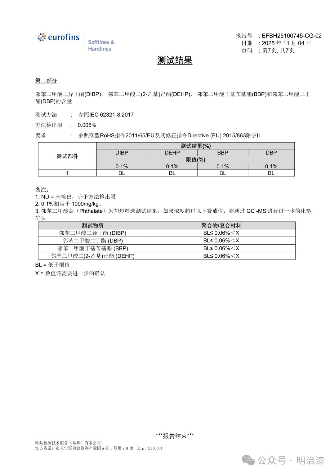
RoHS报告图片














RoHS认证:
全称《关于限制在电子电气设备中使用某些有害成分的指令》,听起来好像只跟电子产品有关?错!建材行业同样适用。它严格限制铅、汞、镉等有害物质含量。昊特建材通过认证,证明产品从原材料到生产全流程均符合欧盟环保标准,杜绝有害物质风险。
REACH认证:
这是欧盟《化学品注册、评估、许可和限制》法规,要求企业对其生产或进口的化学品进行安全评估。涵盖化学品注册、评估、许可和限制,要求企业公开产品成分并确保其安全性。简单说就是,吴特建材的每款产品,都得经过"体检"才能上市。
REACH报告图片:












作为国内绿色建材领域的先行者,昊特建材始终将环保理念融入产品研发与生产,通过这2项认证,不仅标志着昊特建材产品符合欧盟最严苛的环保标准,同时获得欧盟及全球多数国家市场准入资格,助力昊特建材“走出去”战略。更意味着其已具备进入全球90%以上发达国家市场的“通行证”。